




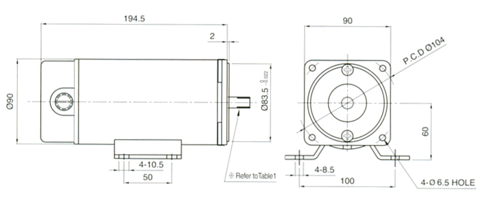
| MODEL |
GEARED
TYPE |
STRAGHT
TYPE |
D-DUT
TYPE |
KEY
TYPE |
S9D300
- ¡à HH |
S9D300
- ¡à S |
S9D300
- ¡à D |
S9D300-
¡à K |
|
Ãâ·ÂÃà
±¸ºÐ¡¡ |
 |
 |
 |
 |



|
Type |
Voltage |
Output |
No Load |
At Rated Lod |
Run
Duty |
Weight |
Remarks |
|
Revolution |
Current |
Revolution |
Torque |
Current |
|
(V) |
(W) |
(RPM) |
(A) |
(RPM) |
(kgf¤ýcm) |
(A) |
(Hr) |
(kg) |
|
S9D300-24¡à |
24 |
300 |
2850 |
2.5 |
2500 |
11.7 |
17.0 |
2000 |
5.0 |
1 |
|
S9D300-90¡à |
90 |
300 |
3000 |
0.8 |
2650 |
11.1 |
4.2 |
2000 |
5.0 |
1 |
¡¡




¡á
GEAR HEAD ǰ¸íÁß ¡àÀº
°¨¼Óºñ¸¦ Ç¥½ÃÇÕ´Ï´Ù.
¡á
GEAR HEAD¿Í Á¶ÇÕÇÑ °æ¿ìÀÇ
Çô¿ë TORQUEÀÔ´Ï´Ù.
¡á
ȸÀü¹æÇâÀº ¡á
»öÀÌ MOTORÀÇ
ȸÀü¹æÇâ°ú
µ¿ÀϹæÇâÀ̰í, ±âŸ´Â
MOTOR ȸÀü¹æÇâ°ú
¹Ý´ë¹æÇâ ÀÔ´Ï´Ù.
¡á
ȸÀü¼ö´Â MOTORÀÇ ¹«ºÎÇÏ
ȸÀü¼ö¸¦ ±âÁØÀ¸·ÎÇÏ¿©
°¨¼Óºñ·Î ³ª´©¾î¼ °è»ê
ÇÏ¿´½À´Ï´Ù.
½ÇÁ¦ÀÇ È¸Àü¼ö´Â ºÎÇÏÀÇ
Å©±â¿¡ µû¶ó 2~20%
Àû½À´Ï´Ù.
¡á
'H' Type Àü¿ëÀ¸·Î
±âÁ¾¸í¿¡ Ç¥½ÃÇÏÁö
¾Ê½À´Ï´Ù. MOTORÀÇ 'H'
Type°ú »ç¿ëÇÏ¿©
ÁֽʽÿÀ.
¡¡ |