|
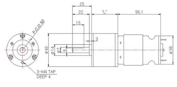
42-K-GEARD
MOTOR
|
¢º
Possible to product for needs of ratio
beside bellow chart
¾Æ·¡ Ç¥ À̿ܿ¡ °¨¼Óºñ ¿ä±¸
»çÇ× Á¦ÀÛ °¡´É
|

|
|
|

|
|
MOTOR
SPECIFICATION
|
| DESCRIPTION |
CURRENT |
SPEED |
TORQUE |
OUTPUT |
EFF |
| A |
RPM |
g-cm |
W |
% |
| NO
LOAD |
12V |
0.26 |
5200 |
|
|
|
| 24V |
0.14 |
5200 |
|
|
|
| AT
MAX.EFF |
12V |
1.08 |
4390 |
187 |
8.42 |
64.99 |
| 24V |
0.63 |
4480 |
223 |
10.72 |
70.94 |
| AT
STALL |
12V |
5.9 |
|
155 |
|
|
| 24V |
4.0 |
|
1700 |
|
|
|
 |
|
D.C
12V
|
 |
|
D.C
24V
|
|
GEARED
MOTOR SPECIFICATION
|
| RATIO |
V |
1/
10 |
1/
12 |
1/
14 |
1/
20 |
1/
25 |
1/
30 |
1/
36 |
1/
42 |
1/
50 |
1/
65 |
1/
77 |
1/
90 |
1/
105 |
1/ 115
|
1/ 140
|
1/ 165
|
1/ 190
|
1/ 220
|
| "L"-SIZE |
36.5 |
40.5 |
44.5
|
48.5
|
NO
LOAD
(RPM) |
12V |
520 |
433 |
371 |
260 |
208 |
173 |
144 |
123 |
104 |
80 |
67 |
57 |
49 |
45
|
37
|
31
|
27
|
23
|
| 24V |
520 |
433 |
371 |
260 |
208 |
173 |
144 |
123 |
104 |
80 |
67 |
57 |
49 |
45
|
37
|
31
|
27
|
23
|
ON
LOAD
(RPM) |
12V |
439 |
365 |
313 |
219 |
175 |
146 |
121 |
104 |
87 |
67 |
57 |
48 |
41 |
38
|
31
|
26
|
23
|
20
|
| 24V |
448 |
373 |
320 |
224 |
179 |
149 |
124 |
106 |
89 |
68 |
58 |
49 |
42 |
39
|
32
|
27
|
23
|
20
|
TORQUE
(Kg-cm) |
12V |
1.2 |
1.4 |
1.7 |
2.4 |
2.7 |
3.3 |
3.9 |
4.6 |
5.5 |
6.4 |
7.6 |
8.9 |
10.4 |
10.3
|
12.5
|
14.7
|
15.0
|
15.0
|
| 24V |
1.5 |
1.8 |
2.1 |
3.0 |
3.4 |
4.1 |
4.9 |
5.7 |
6.8 |
8.0 |
9.5 |
11.1 |
13.0 |
12.8
|
15.0
|
15.0
|
15.0
|
15.0
|
|